萍乡市第二高压电瓷厂
  • 网站首页
  • 关于我们
  • 新闻资讯
    公司动态行业动态
    萍乡市第二高压电瓷厂

    萍乡市第二高压电瓷厂

  • 产品展示
    低压线路蝶式绝缘子复合绝缘子高压线路棒型绝缘子高压线路瓷横坦绝缘子高压线路盘形悬式绝缘子高压线路针式瓷绝缘子高压线路柱式绝缘子
    萍乡市第二高压电瓷厂

    萍乡市第二高压电瓷厂

  • 设备展示
    二高设备
    萍乡市第二高压电瓷厂

    萍乡市第二高压电瓷厂

  • 资质展示
    二高资质
    萍乡市第二高压电瓷厂

    萍乡市第二高压电瓷厂

  • 试验及计量
    二高试验报告二高计量证书二高核实证明
    萍乡市第二高压电瓷厂

    萍乡市第二高压电瓷厂

  • 联系我们

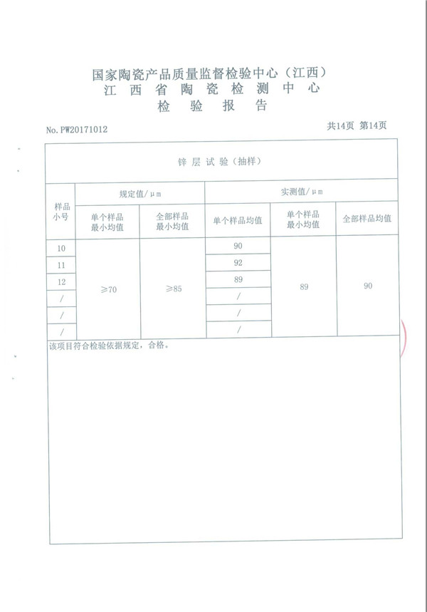
二高试验报告

  • 二高试验报告
  • 二高计量证书
  • 二高核实证明

RA2.5ET164L(S-185)

上一篇:R12.5ET325L    下一篇:RA5.0ET250N(S-280)

服务热线

13707991252

合作留言

企业概况

关于我们

新闻资讯

新闻资讯

产品展示

低压线路蝶式绝缘子复合绝缘子高压线路棒型绝缘子高压线路瓷横坦绝缘子高压线路盘形悬式绝缘子高压线路针式瓷绝缘子高压线路柱式绝缘子

设备展示

二高设备

资质展示

二高资质

试验报告

二高试验报告二高计量证书二高核实证明

联系我们

联系方式

萍乡市第二高压电瓷厂

地址:江西省萍乡市芦溪县工业园

手机:13707991252

电话:0799-7586479

友情链接 : 百度江西 百度

Copyright© 萍乡市第二高压电瓷厂 技术支持:江西华邦LOGO白色.png  地址:江西省萍乡市芦溪县工业园

备案号:赣ICP备19000516号-1

  • 在线留言
  • 联系我们